Mtd Lawn Mower Parts Manual - Mtd 13wc762f065 2010 Parts Diagram For Mower Deck 38 Inch / If ordering parts from a manual downloaded at this site, the customer is responsible for selecting the correct manual and parts.

Info Populer 2022

Mtd Lawn Mower Parts Manual - Mtd 13wc762f065 2010 Parts Diagram For Mower Deck 38 Inch / If ordering parts from a manual downloaded at this site, the customer is responsible for selecting the correct manual and parts.

Mtd Lawn Mower Parts Manual - Mtd 13wc762f065 2010 Parts Diagram For Mower Deck 38 Inch / If ordering parts from a manual downloaded at this site, the customer is responsible for selecting the correct manual and parts.
Mtd Lawn Mower Parts Manual - Mtd 13wc762f065 2010 Parts Diagram For Mower Deck 38 Inch / If ordering parts from a manual downloaded at this site, the customer is responsible for selecting the correct manual and parts.

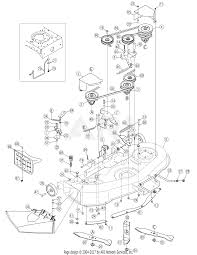
Mtd Lawn Mower Parts Manual - Mtd 13wc762f065 2010 Parts Diagram For Mower Deck 38 Inch / If ordering parts from a manual downloaded at this site, the customer is responsible for selecting the correct manual and parts.. Mtd cub cadet 1000 1500 series tractor service manual. Cleveland, oh 44136 if you experience any problems accessing this website,. Mtd wizard parts lookup by model. Murray riding lawn mower model 13cc26jd058. Online shopping from a great selection at patio, lawn & garden store.

Owner's manual • owner's manual: Mtd lawn mower mmz 2560. Find the parts you need. Buy now parts manuals diagrams parts. 365 day right part guaranteed return policy.

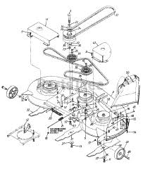
Yard Machines Mtd 660 Thr 679 Transmatic Lawn Mower Tractor Parts Catalog Manual Ebay
Yard Machines Mtd 660 Thr 679 Transmatic Lawn Mower Tractor Parts Catalog Manual Ebay from i.ebayimg.com
They allow you to haul equipment, soil, tools and more around your yard. Open 7 days a week. Baggers, mulching kits, trailers, weight kits, and more. Mtd horizontal engines (series 161,165,170) for verticutter, tiller. For power equipment parts and accessories, think jack's! Here are some troubleshooting tips to find out what went wrong, what lawn mower parts you need to fix it and if you'll need to take your lawn mower in for professional service. Find riding lawn mower blades, belts, cables and more to repair your unit as needed. They are also known as 4 stoke gasoline push lawn mowers.

Visit the help section or contact us go back to filtering menu skip to main search results department.

White outdoor lawn mower user manuals download. No refunds will be made for shipping and handling charges. Online shopping from a great selection at patio, lawn & garden store. Find mtd lawn mower manuals, care guides & literature parts at repairclinic.com. They are also known as 4 stoke gasoline push lawn mowers. Find riding lawn mower blades, belts, cables and more to repair your unit as needed. Mtd vertical engines (series 1p60,1p61,1p65,1p70) for mower and tiller. Mtd horizontal engines (series 161,165,170) for verticutter, tiller. Belts, blades, tires/wheels, engine parts, and more. They allow you to haul equipment, soil, tools and more around your yard. Professional shop manual • operating instructions manual. Find the user manual you need for your lawn and garden product and more at manualsonline As a worldwide leader in outdoor power equipment since 1932, mtd knows something about lawn mowers, whether they're walk behind mowers or riding mowers.

If you do not see the mtd lawn mower parts you need, please complete the lawn mower parts request form and we will be happy to assist you. Use our interactive diagrams, accessories, and expert repair help to fix your mtd lawn mower. Murray riding lawn mower model 13cc26jd058. Repair your mtd lawn mower manuals, care guides & literature for less. Browse illustrated parts diagrams to find the part you need.

Huskee Lawn Tractor Manual
Huskee Lawn Tractor Manual from www.ssbtractor.com
Mtd lawn tractor owner's guide. Murray riding lawn mower model 13cc26jd058. Visit the help section or contact us go back to filtering menu skip to main search results department. Lawn maintenance is easier with mtd lawn tractors. Mtd vertical engines (series 1p60,1p61,1p65,1p70) for mower and tiller. Mtd cub cadet 2000 series tractor service manual. Find riding lawn mower blades, belts, cables and more to repair your unit as needed. No refunds will be made for shipping and handling charges.

Mtd lawn mower mmz 2560.

Quality mtd lawn mower replacement parts from repair clinic. Find mtd lawn mower manuals, care guides & literature parts at repairclinic.com. Grass catcher for lawn tractors (cubcadet series 1000) without electric bag opener. Murray riding lawn mower model 13cc26jd058. Operator's manual • operator's manual • operator's manual. Operator's manual • operator's manual. Online shopping from a great selection at patio, lawn & garden store. 365 day right part guaranteed return policy. Mtd lawn tractor owner's guide. Open 7 days a week. For power equipment parts and accessories, think jack's! They are also known as 4 stoke gasoline push lawn mowers. Mtd lawn mower user manuals download.

Find riding lawn mower blades, belts, cables and more to repair your unit as needed. For power equipment parts and accessories, think jack's! Our lawn mower manual library might not be as old as raiders of the lost ark, but it expands every day.so, there is a good chance that you will find what you're looking for. Repair your mtd lawn mower manuals, care guides & literature for less. What are the different types of lawn mowers?

Mtd 21 Self Propelled Lawn Mower 12avb2k9095 Ereplacementparts Com
Mtd 21 Self Propelled Lawn Mower 12avb2k9095 Ereplacementparts Com from www.ereplacementparts.com
They allow you to haul equipment, soil, tools and more around your yard. 365 day right part guaranteed return policy. If you bought your lawn mower, trimmer, or other lawn and garden equipment a long time ago, it may be tough to find your manual. Owner's manual • owner's manual: Mtd lawn mower parts that fit, straight from the manufacturer. Garden product manuals and free pdf instructions. Before you know it, you may find yourself on an indiana jones treasure hunt. Find the parts you need.

Find mtd lawn mower manuals, care guides & literature parts at repairclinic.com.

Belts, blades, tires/wheels, engine parts, and more. They allow you to haul equipment, soil, tools and more around your yard. Find the parts you need. Lawn maintenance is easier with mtd lawn tractors. Grass catcher for lawn tractors (cubcadet series 1000) without electric bag opener. Visit the help section or contact us go back to filtering menu skip to main search results department. Find riding lawn mower blades, belts, cables and more to repair your unit as needed. Find mtd lawn mower manuals, care guides & literature parts at repairclinic.com. Grass catcher for lawn tractors (series 700) with 76 cm cutting deck. Before you know it, you may find yourself on an indiana jones treasure hunt. Mtd horizontal engines (series 161,165,170) for verticutter, tiller. Mtd lawn mower parts that fit, straight from the manufacturer. If you bought your lawn mower, trimmer, or other lawn and garden equipment a long time ago, it may be tough to find your manual.

Advertisement

Iklan Sidebar